产品分类
新闻推荐
九游(中国)

九游官方网页版

地  址:江苏省启东市和平南路199号
电  话:13306282819
客  服:0513-83117726
传  真:0513-83117726邮  箱:ntjr2010@126.com
网  址:www.xinyangmeizgzhgu.com

产品中心PRODUCT CENTER
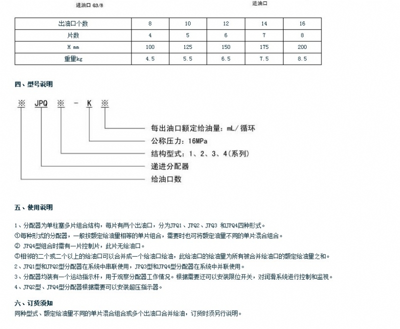
JPQ-K(ZP)系列递进式分配器(16MPa)
2017-7-24 点击:1324

2.JPG3.JPG4.JPG